食安情報站
2025/02/12
市售嬰幼兒食品品質檢測及標示查核結果
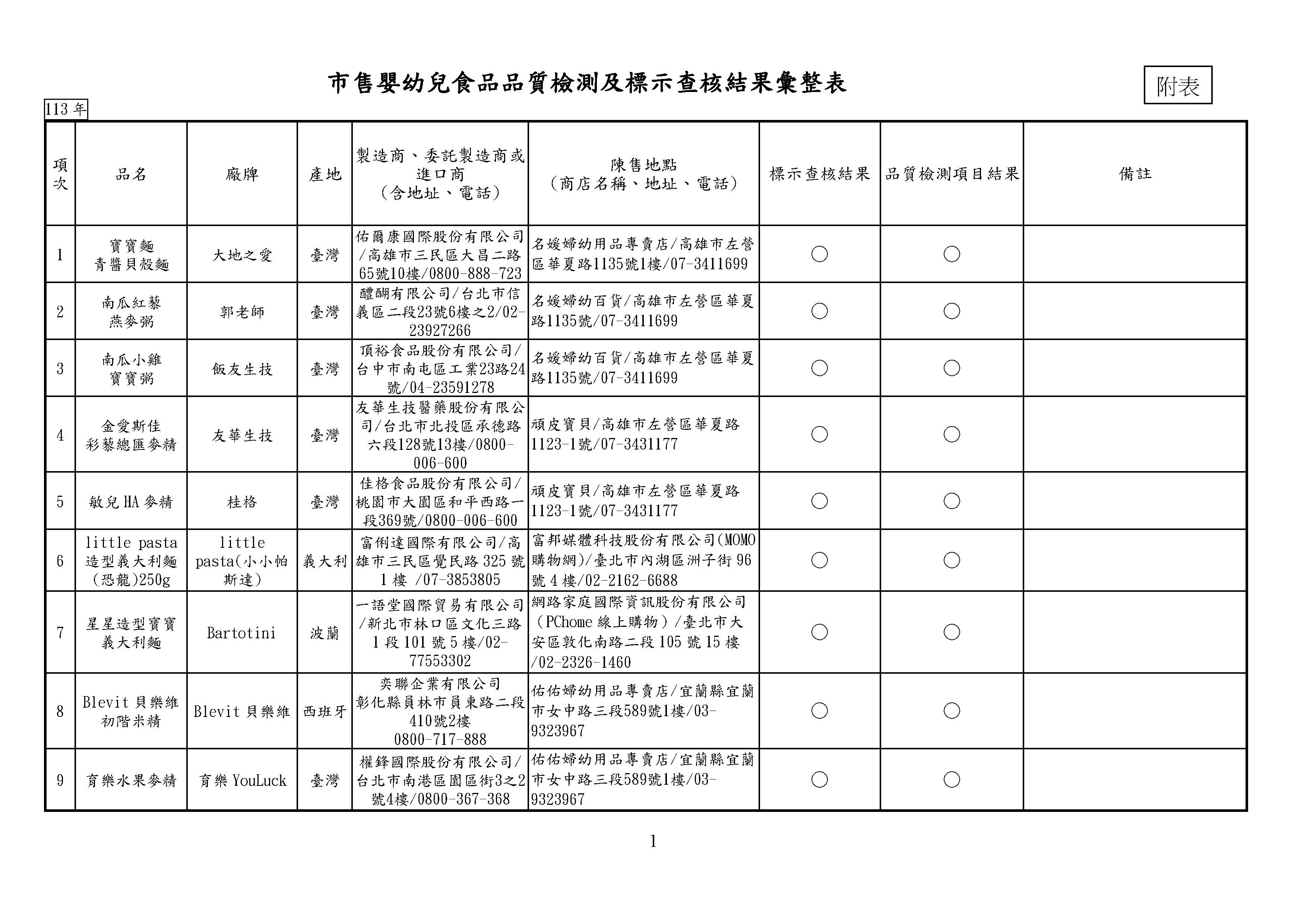
為維護消費者權益,行政院消費者保護處(下稱行政院消保處)於113年8月間購樣24件市售嬰幼兒食品進行檢測及標示查核,其中標示查核部分全數符合規定;品質檢測部分,「黃麴毒素B1」、「赭麴毒素A」及「重金屬-鉛」部分全數符合規定,而「重金屬-鎘」部分,有1件不符合規定,已由地方衛生機關依法查處並要求業者改善完畢。
目前市面上嬰幼兒穀物類輔助食品及嬰幼兒副食品,產品豐富多樣、口味眾多,為維護嬰幼兒食品安全,行政院消保處於113年8月間,分別在實體商店及網路平台購樣24件市售商品進行「品質檢測」(包括「黃麴毒素B1」、「赭麴毒素A」、「重金屬-鉛」及「重金屬-鎘」)及「標示查核」,查核結果如下(詳如附表):
一、品質檢測部分:
(一)「黃麴毒素B1」、「赭麴毒素A」及「重金屬-鉛」檢測,全數符合規定。
(二)「重金屬-鎘」:本案計1件(項次15)不合規定。
二、食品標示部分,全數符合規定。
本次查核發現「重金屬-鎘」不符規定部分,衛生福利部食品藥物管理署已請地方衛生機關依法查處,同批產品已下架銷毀完竣,地方衛生機關亦命代工製造廠限期改正,經複查改正後之同製程產品,未檢出「重金屬-鎘」。
行政院消保處提醒消費者,選購嬰幼兒食品時,除應注意製造或進口廠商名稱及地址、產地、成分、有效日期及營養標示等資訊是否清楚完整外,亦可以參考衛生福利部食品藥物管理署設置之「嬰幼兒食品專區」(於食藥署網站首頁 > 業務專區 > 食品 > 嬰幼兒食品專區項下查詢),其中提供法規、衛生標準、標示、廣告、衛教等資訊供民眾查詢參考。
資料來源:行政院消費者保護處



